LOADING IMAGES

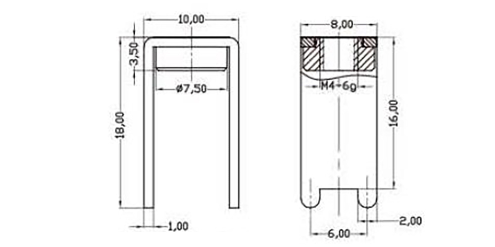
型号:XS-10-4J-N7

间距:6.00*9.00mm
额定电流:60A
压线螺钉:M4,Steel,Nickel Plated
焊接端子:Brass,Tin Plated
螺钉扭矩:12 lbf-in


产品详情

15445774838375090.jpg

Menu

Copyright 2018 宁波天地纳源科技有限公司 浙ICP备19008487号-1 | 技术支持: 乐搜网络

TOP
0574-63861918
qrCode