LOADING IMAGES

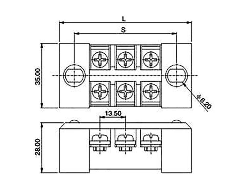
型号:TB35

端子间距:13.5mm
额定电流:600V 35A
冲击耐压:4000V
压线范围:26-10AWG
螺钉扭矩:13 lbf.in
螺钉材料:M4,STEEL
端子材料:BRASS
绝缘材料:PC,V-0
使用温度:-40℃~+120℃


产品详情

15445860678813032.jpg

Menu

Copyright 2018 宁波天地纳源科技有限公司 浙ICP备19008487号-1 | 技术支持: 乐搜网络

TOP
0574-63861918
qrCode