LOADING IMAGES

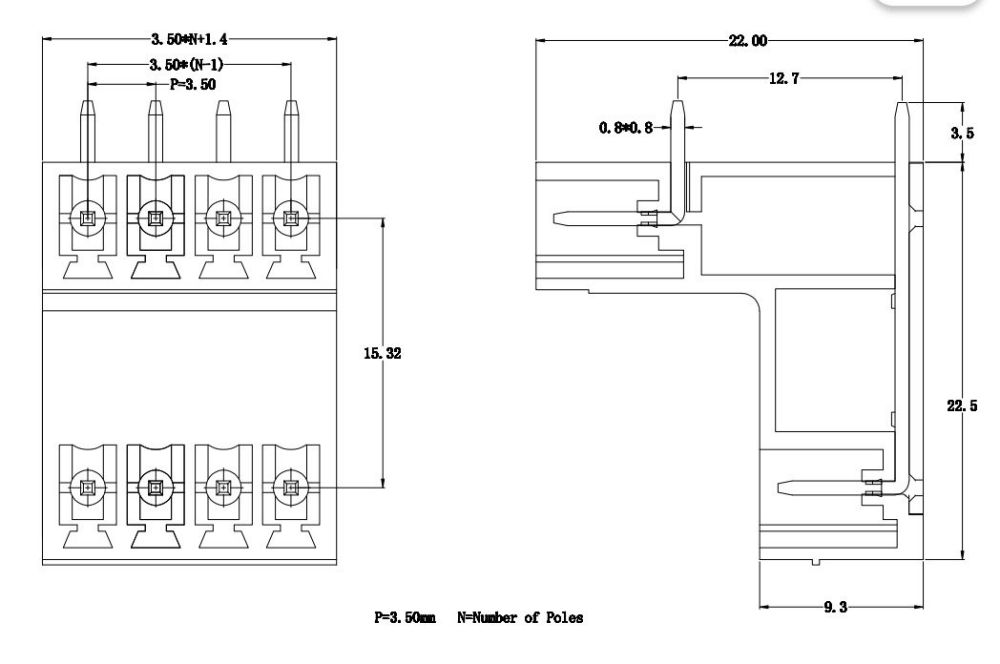
型号:XS2EWDF-3.5

XS2EWDF 300V 10A
本体:PA66 UL94V-0
间距:3.5mm
端子数:2P-24P
经线:28-16AWG 1.5mm²


产品详情

15438152181520444.jpg

Menu

Copyright 2018 宁波天地纳源科技有限公司 浙ICP备19008487号-1 | 技术支持: 乐搜网络

TOP
0574-63861918
qrCode